Description
Main features
- Distribution: Single or multi-tube side feeding Scraper discharge: hydraulic pressure
- Motor Drive:General MotorFrequency Converter Motor, Explosion-proof Motor, Energy Consumption Brake or Feedback Brake
- Safety protection explosion proof, vibration protection, full material detection protection,temperature protection, electromechanical interlocking, speed moni-
- toring, overload protection, nitrogen protection system
- Surface treatment mirror polishingmatte treatment,passivation treatment
- Electrical Components: Brand Supply
- Residual cake treatment: gas back-blowing, roller-assisted scraper, gas-assist- ed scraper
- Programming Control:Programmable Control Mode and DCS Control Mode
- Nitrogen Protection: Automatic Nitrogen Supply Device, Liquid Packaging Device,Gas-liquid Separator,Oxygen Content Detection System
- Coating treatment lining HALAR(F30)F40F46PFAPEand rubber
- Discharge hopper caliber and height can be configured according to user’s requirements
Optional configurations
- Distribution:Single or multi-tube side feedingScraper discharge:hydraulic pressure
- Motor Drive:General Motor, Frequency Converter Motor, Explosion-proofMotor, Energy Consumption Brake or Feedback BrakeSafety protection:
- explosion proof, vibration protection, full material detectionprotection, temperature protection, electromechanicalinterlocking, speed monitoring, overload protection, nitrogenprotection system
- Surface treatment:mirror polishing, matte treatment, passivation treatmentElectrical Components: Brand SupplyResidual cake treatment:
- gas back-blowing, roller-assisted scraper, gas-assisted scraper
- Programming Control:Programmable Control Mode and DCS Control Mode
- Nitrogen Protection:Automatic Nitrogen Supply Device, Liquid Packaging DeviceGas-liquid Separator, Oxygen Content Detection System
- Coating treatment:lining HALAR (F30), F40, F46, PFA, PE and rubber
- Discharge hopper:caliber and height can be configured according to user’srequirements
Requirement

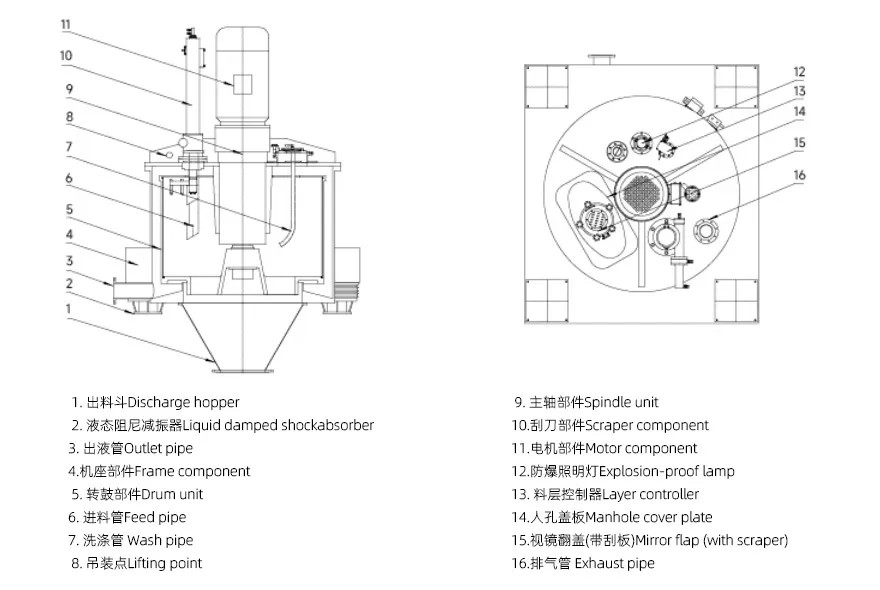
Main structure

Technical parameters
| ltems | PAUT1250A | PAUT1250B | PAUT1320 | PAUT1500 | PAUT1600 |
| Basket Dia (mm) | 1250 | 1250 | 1320 | 1500 | 1600 |
| Basket volume(L) | 281 | 450 | 490 | 653 | 970 |
| Max. load (kg) | 380 | 610 | 660 | 880 | 1300 |
| Max Rolating speed(r/min) | 970 | 970 | 900 | 850 | 850 |
| Centrifuge force | 658 | 658 | 598 | 607 | 647 |
| Motor (kw) | 22 | 30 | 30 | 37 | 45 |
| Dimension(L*W*H)(mm) | 2100*2000*2200 | 2100*2000*2600 | 2100*2000*2600 | 2600*2350*2700 | 2700*2350*2900 |
| Weight (kg) | 4500 | 5000 | 5000 | 8500 | 10000 |





